
Stihl HT101 Pole Pruner Parts
Genuine Spare Parts and Accessories for Stihl HT101 Pole Pruners. Complete Parts Diagram Breakdown Available. UK's Largest Stihl Spare Parts Dealer.
Genuine Spare Parts and Accessories for Stihl HT101 Pole Pruners. Complete Parts Diagram Breakdown Available. UK's Largest Stihl Spare Parts Dealer.
Shop by diagram

Tools & Harness for Stihl HT101

Cylinder, Engine Pan Assembly

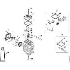
Valve Timing Gear Assembly

Rewind Starter & Fuel Tank

Muffler & Air Filter for Stihl HT101

Ignition System for Stihl HT101

Clutch & Fan Housing for HT101

Carburetor Assembly for Stihl HT101

Carburetor C1Q-S110 Assembly

Carburetor C1Q-S88 Assembly

Handle Assembly for Stihl HT101

Drive Tube Assembly for Stihl HT101

Drive Tube Assembly for Stihl HT101

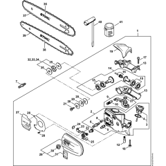
Angle Drive Assembly for Stihl HT101

Gear Head Assembly for Stihl HT101

Gear Head for Stihl HT101

Oil Tank & Sprocket Cover

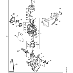
Engine Ø 40 mm Assembly
All products
-
Gasket for Stihl FS96, FR130T - 4114 149 1205£1.46 £1.22
-
Cam Wheel for Stihl HT130, HT131 - 4180 030 1800£7.70 £6.42
-
Tank Vent for Stihl KM90, KM90R - 0000 350 5807£9.68 £8.07
-
14" (35cm) 72 Links - PM3 - 1/4" / 043" (1.1mm) Chain£24.30 £20.25