
Stihl HT131 Pole Pruner Parts
Genuine Spare Parts and Accessories for Stihl HT131 Pole Pruners. Part Diagram Breakdown Available. UK's Largest Stihl Spare Parts Dealer.
Genuine Spare Parts and Accessories for Stihl HT131 Pole Pruners. Part Diagram Breakdown Available. UK's Largest Stihl Spare Parts Dealer.
Shop by diagram

Stihl HT131 Pole Pruner Tools

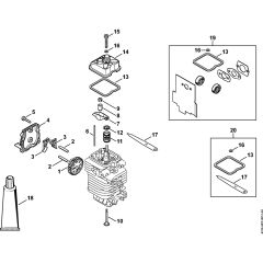
Cylinder, Engine Pan Assembly

Valve Timing Gear Assembly

Rewind Starter & Fuel Tank

Muffler & Air Filter for Stihl HT131

Ignition System for Stihl HT131

Clutch & Fan Housing for Stihl HT131

Carburettor Assembly for Stihl

Carburettor C1Q-S98 Assembly

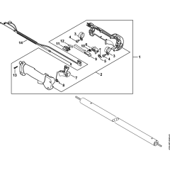
Handle Assembly for Stihl HT131

Drive Tube Assembly for Stihl HT131

Angle Drive for Stihl HT131

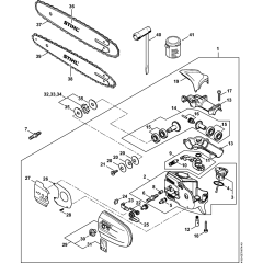
Gear Head Assembly for Stihl HT131

Gear Head Assembly for Stihl HT131

Oil Tank & Sprocket Cover

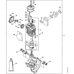
Engine Assembly for Stihl HT131
All products
-
Gasket for Stihl FS96, FR130T - 4114 149 1205£1.46 £1.22
-
Cam Wheel for Stihl HT130, HT131 - 4180 030 1800£7.70 £6.42
-
Tank Vent for Stihl KM90, KM90R - 0000 350 5807£9.68 £8.07
-
14" (35cm) 72 Links - PM3 - 1/4" / 043" (1.1mm) Chain£24.30 £20.25