
Makita HR2450T Hammer Drill Parts
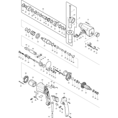
Spares for Makita HR2450T SDS-Plus Rotary Hammer Drill.
Spares for Makita HR2450T SDS-Plus Rotary Hammer Drill.
Shop by diagram
All products
-
Makita O Ring 24 HR2020/2440/6805b - 213380-7£0.79 £0.66 -
Makita Flat Washer 12 BTD043/063/103 - 267104-3£0.79 £0.66