
Makita HR2601 Hammer Drill Parts
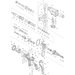
Spares for Makita HR2601 SDS-Plus with AVT Technology Rotary Hammer Drill.
Spares for Makita HR2601 SDS-Plus with AVT Technology Rotary Hammer Drill.
Shop by diagram
All products
-
Makita Tapping Screw 4x14 M8701 - 266385-6£0.48 £0.40