
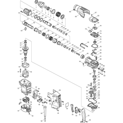
Makita HR3540C Hammer Drill Parts
Spares for Makita HR3540C SDS-Max Rotary Hammer Drill.
Spares for Makita HR3540C SDS-Max Rotary Hammer Drill.
Shop by diagram
All products
-
Makita Pan HD Screw M5x20 W/Cp Washer - 911233-1£0.48 £0.40 -
Makita Ring 10 HR3210ct/Fc - 257291-6£1.73 £1.44 -
Makita Power Supply Cord 1.5-2-4.0 - 692623-4£29.52 £24.60