
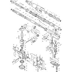
Makita HR5001C Hammer Drill Parts
Spares for Makita HR5001C SDS-Max Demolition Hammer Drill.
Spares for Makita HR5001C SDS-Max Demolition Hammer Drill.
Shop by diagram
All products
-
Makita Shim Washer 15 HR3000c/DTD154 - 253314-8£0.80 £0.67 -
Makita Brush Holder Cutter HR4000c - 416292-5£1.42 £1.18