
Makita HR4500C Hammer Drill Parts
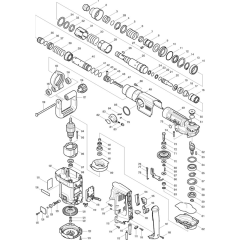
Spares for Makita HR4500C SDS-Max Demolition Hammer Drill.
Spares for Makita HR4500C SDS-Max Demolition Hammer Drill.
Shop by diagram
All products
-
Makita Pan HD Screw M5x20 W/Cp Washer - 911233-1£0.48 £0.40 -
Makita Shim Washer 15 HR3000c/DTD154 - 253314-8£0.79 £0.66 -
Makita Brush Holder Cutter HR4000c - 416292-5£1.42 £1.18 -
Makita Power Supply Cord 1.5-2-4.0 - 692623-4£29.52 £24.60 -
Makita Crank Pin HR4500c Only - 322962-5£1.70 £1.42 -
Makita Washer 5 HR4000c For Handle C - 421698-4£2.14 £1.78