
Makita HR5211C Hammer Drill Parts
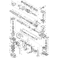
Spares for Makita HR5211C SDS-Max Rotary Demolition Hammer Drill.
Spares for Makita HR5211C SDS-Max Rotary Demolition Hammer Drill.
Shop by diagram
All products
-
Makita Power Supply Cord 1.5-2-4.0 - 692623-4£29.52 £24.60