
Makita HR4000C Hammer Drill Parts
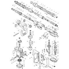
Spares for Makita HR4000C SDS-Max Rotary Hammer Drill.
Spares for Makita HR4000C SDS-Max Rotary Hammer Drill.
Shop by diagram
All products
-
Makita Pan HD Screw M5x20 W/Cp Washer - 911233-1£0.48 £0.40 -
Makita Shim Washer 15 HR3000c/DTD154 - 253314-8£0.79 £0.66 -
Makita Brush Holder Cutter HR4000c - 416292-5£1.42 £1.18 -
O Ring 22 fits Makita HR4000C HM1130 Hammers - Part No. 213370-0Was £0.65 £0.54 Special Price £0.52 £0.43 -
Makita Ring Spring 25 HR4000c - 231977-0£0.62 £0.52 -
Makita Dust Seal 18 HR4000c - 213271-2£0.79 £0.66 -
Makita Crank Pin HR4500c Only - 322962-5£1.70 £1.42 -
Makita Washer 5 HR4000c For Handle C - 421698-4£2.14 £1.78