
Makita HR3210FCT Hammer Drill Parts
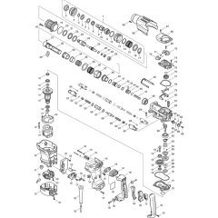
Spares for Makita HR3210FCT 32mm SDS-Plus Rotary Hammer Drill.
Spares for Makita HR3210FCT 32mm SDS-Plus Rotary Hammer Drill.
Shop by diagram
All products
-
Makita Pan HD Screw M5x20 W/Cp Washer - 911233-1£0.48 £0.40 -
Makita Ring 10 HR3210ct/Fc - 257291-6£1.73 £1.44 -
Tool Holder for Makita HR3210FCT Hammer Drill - 125420-8£72.16 £60.13